이번 시간에는 조합 논리 회로의 종류에 대해 살펴보겠습니다.
우선 조합논리회로는 이전의 출력이 현재의 출력에 영향을 주지 않는 회로입니다. 즉, 현재의 입력에 의해서만 출력이 결정되는 것입니다. 그렇다면 조합 논리 회로의 종류는 어떤 것이 있을까요? 이제부터 살펴보겠습니다. (진리표는 나중에 설명과 함께 올리겠습니다 ㅠㅠ)

(1) 반가산기
- 2진 입력 변수 A와 B를 더한 합 S와 자리 올림 수 C를 얻는 회로입니다.

(2) 전가산기
- 2진수 가산을 완전히 하기 위하여 3개의 2진수를 더할 수 있게 만든 회로입니다.

(3) 반감산기
- 2진 입력 변수 X에서 Y를 뺀 차 D와 빌려온 수(자리 내림 수) B를 얻는 회로입니다.

(4) 전감산기
- 2진수 감산을 완전히 하기 위하여 3개의 2진수를 뺄 수 있게 만든 회로입니다.

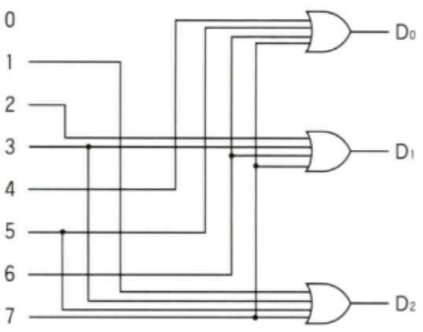
(5) 인코더
- 한 개의 신호를 여러 자리의 2진수로 코드화하는 회로입니다.

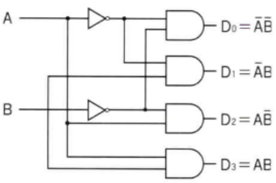
(6) 디코더
- 2진수로 코드화된 데이터를 한 개의 신호로 다시 해독해주는 회로입니다.

(7) 멀티플렉서
- 여러 개의 신호 중 하나를 얻는 회로입니다.

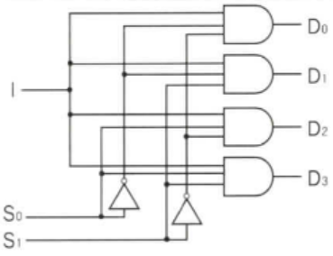
(8) 디멀티플렉서
- 하나의 신호를 여러 개 중 한 곳으로 보내는 회로입니다.

(9) 3-상태 버퍼
- 데이터를 전송할지 말지 결정하는 회로입니다.
- E 단자가 1이면 데이터가 전송되고 0이면 차단됩니다. 이렇게 차단되는 것을 '하이 임피던스 (Hiigh Impedance) 상태' 라고 합니다.
<출처>
2018년도 정보처리기사 필기 2권, 최희준.조홍만.영진정보연구소 공저, 영진닷컴, p.12~16 조합 논리 회로
'IT강의 > 컴퓨터구조' 카테고리의 다른 글
| 폴링과 인터럽트의 차이 (0) | 2021.05.08 |
|---|---|
| 부울 대수 (0) | 2021.04.13 |
| 디지털 논리 게이트 (0) | 2021.04.11 |